OK, danke! Mir war nur diese echt dünne und wabbelige Haube nicht bekannt. Die war doch sonst auch immer ziemlich stabil, dachte ich.
Also alle 4 Stoßdämpfer sind übrigens 340mm lang. Ich dachte die Schwalbe hätte nur 310mm Länge.
OK, danke! Mir war nur diese echt dünne und wabbelige Haube nicht bekannt. Die war doch sonst auch immer ziemlich stabil, dachte ich.
Also alle 4 Stoßdämpfer sind übrigens 340mm lang. Ich dachte die Schwalbe hätte nur 310mm Länge.
Ich bin gerade am Stoßdämpfer sortieren und da sind mir folgende in die Hände gefallen. Stoßdämpfer mit solch einer dünnen oberen Kappe hatte ich noch nicht gesehen. Könnt ihr mir vielleicht sagen für welches Modell die sind und warum die so anders aussehen wie die normalen Stoßdämpfer? Die Maße schicke ich nachher mal rum. Die Nummern unten kann ich derzeit leider nicht lesen, weil dort viel Farbe und Rost drüber ist.
Also alle 4 Stoßdämpfer sind übrigens 340mm lang.
Der TE will bestimmt nur den Schlosseinsatz bestellen ohne die Elektrik neu zu machen. Ein Kumpel hat mir am Wochenende auch gerade erzählt das ihm vor 30 Jahren mal der Schlosseinsatz raus gefallen ist
Aber für Frage ist, welcher Schlosseinsatz passt rein?
Ja, das stimmt. So hätte ich es gemacht, wenn ich die abgerissene Lasche noch da hätte. Ich werde wohl einen Winkel aus Blech anschrauben.
Ok stimmt, weil es keinen Gepäckträger gibt, sondern nur einen Griff.
Und zu welchem Modell könnten meine oben stehenden Seitengepäckträger passen?
Stell doch gern mal den Link von Kleinanzeigen mal hier ein. Ich bin öfter in Berlin und suche immer Teile ![]()
Aber dadurch nimmst du doch auch das Spiel aus dem Kupplungszug, oder? Der Kupplungszug muss ja im ungezogenen Zustand etwas Spiel haben.
Ich habe das Problem auch an meinem SR80 aber nicht so schlimm. Also haarscharf ist alles sinnvoll eingestellt aber bei meinen anderen Mopeds greift die Kupplung etwas eher
und der Bowdenzug hat auch ausreichend Spiel.
Hallo Florian, kannst du bitte mal die Fotos der Seitengepäckträger der S53 hier hochladen. Ich habe gestern einen Seitengepäckträger bekommen, den ich nicht zuordnen kann.
Von den oberen Halterungen ist er normal S51 aber es ist zusätzlich eine seitliche Lasche dran. Vielleicht ist der ja für die S53?
Aber eigentlich sollten die Aufnahmepunkte bei S51 und S53 gleich sein, oder irre ich mich?
Gruß, Marko
Wenn es mit dem 16er Vergaser mehr Schub gab, würde ich diesen wieder einbauen. Das ist auch am günstigsten und am unauffälligsten.
Darauf wollte ich hinaus. Wenn er einen S83-Rahmen hat, muss er die von dir genannten Teile nicht eintragen lassen
und alles was von der S51 übernommen wurde (Tank, Sitzbank) ist nur Optik und muss meiner Meinung nach nicht eingetragen werden.
Soll das Moped mit 70ccm angemeldet werden? Hast du einen S83-Rahmen? Dann musst du wahrscheinlich am wenigsten eintragen lassen.
Leider ist es so, dass der Rost nur zu 80% logisch vor geht
Bei Simsontanks kenne ich den normalen Rost unterhalb des Benzinpegels der sich durch schlecht geworden Sprit bildet.
(Deshalb ist überwintern mit vollem Tank ok, aber nur für einen Winter. Bei längeren Standzeiten als einem halben Jahr immer Sprit ablassen und Tank einölen!)
Dann hatte ich schon diese winzigen Rostlöcher die oben neben dem Tankdeckel zu finden sind, obwohl dort fast nie Sprit hinkommt.
Und gestern hatte ich eine äußerst dünne Stelle an der Oberseite des Tanks links von der Mitte. Also auch eine unübliche Stelle für Tankrost.
Bisher waren selbst die schlimmsten Tanks noch nicht durchgerostet und der saftgrüne Tank, um den es hier geht, sieht sonst noch ganz gut aus.
Was ich eigentlich sagen will, die Wege des Rosts sind unergründlich, vor allem im Simson-Tank-Bereich ![]()
Das wollte ich auch gerade schreiben! Ich weiß jetzt ehrlich gesagt nicht, wieviel Entwicklungsarbeit für die bisherigen Qualitativ nicht fertig durchdachten Standardkupplungskörbe nötig war.
Aber du haust hier innerhalb von zwei Wochen vom ersten Gespräch bis zum fertigen Teil im Onlineshop ganz schön auf die Kacke
Im positiven Sinne natürlich!
Natürlich geht das, dazu reicht auch ne einfache Sandstrahlpistole. Gartenschlauch vorne drauf und du kannst sogar punktuell wirklich gut strahlen.
Das klingt gut. Das könnte ich zu Anfang auch noch probieren, um den Benzinhahnstutzen innen strahlen und schauen ob ich noch irgendwo durch komme.
Ok, vielen Dank für eure Tipps. Ich werde jetzt zum entrosten mit Zitronensäure erstmal versuchen ob vernünftiges Klebeband an der Stelle hält.
Falls dabei nicht noch mehr Rostlöcher auftreten geht es wie folgt weiter:
Von innen ein Blech einlegen und versuchen das vorsichtig von außen anzuschweißen
oder von innen ein Blech ankleben und von außen mit Knetmetall aufmodellieren
Dann werde ich noch zwei Schichten 1Komponentenharz von Wagner durchschwenken.
Das sind vielleicht nochmal zwei Stunden Arbeit aber die werde ich wohl investieren.
Also bei dem überschaubarem Preis für einen neuen Tank würde Ick nicht lange überlegen ….
Auf keinen Fall verwende ich einen neuen Tank. Bei der Qualität die da verkauft wird, bleibe ich bei DDR-Tanks.
Hallo zusammen,
ich habe letztens diesen Tank bekommen, der leider neben dem Benzinhahn durchgerostet ist. Nun frage ich mich, wie ich am besten vorgehe um den Tank wieder abzudichten:
Entweder erst die Löcher mit Knetmetall oä verschließen, mit Zitronensäure entrosten und dann schweißen lassen.
Oder erst die Löcher sauber mit Knetmetall oä verschließen, mit Zitronensäure entrosten und dann so lassen, wenn es dicht ist.
Oder gleich schweißen und danach entrosten. Aber da könnte ich mir vorstellen, dass das schweißen nicht so gut geht.
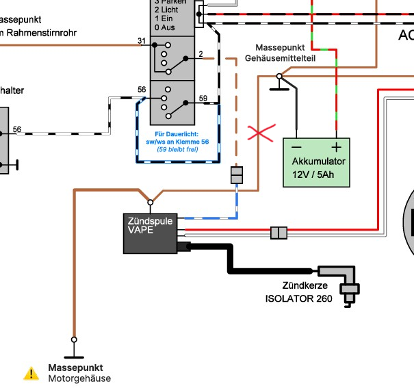
Du willst das rot durchgestrichene Kabel weglassen? Auf keinen Fall! Die Masse ist zwar anscheinend aktuell da, geht aber nur über Umwege über das Motorlager.
Das geht so nicht!
Mein defekter Simmering an der S50 Kurbelwelle zum Getriebeöl war ein sehr prägendes Erlebnis.
Komplett weißer Qualm und davon auch noch sehr viel. Bei mir sind innerhalb einiger Tage auch 200ml mit verbrannt worden.
Also das sollte wirklich jeder merken!
Nein, wenn es die alte und die neue Charge ist, würde ich auch die Antriebswelle ausschließen. Dann sind jetzt nur noch drei Zahnräder vom Originalmotor drin, alles andere im Getriebe ist getauscht, oder?
Hast du diese Zahnräder noch als Gebrauchtteile zum Testen liegen? Aber das würde dann meiner eigenen Theorie widersprechen, dass es an den Zahnrädern nicht liegen kann, weil die im Leerlauf auch
mitdrehen und es dann nicht hakt. Können die Kugellager wirklich ausgeschlossen werden, wie du sagst? Eigentlich können es doch nur noch die Kugellager der Abtriebswelle sein.