Simson 4 adriges Rücklicht auf 3 adriges Rücklicht Anhänger

  • Hallo, wie oben beschrieben will ich mein 3 adriges Rücklicht vom Anhänger an meine Simson anschließen. Nur meine Simson hat ein 4 artiges Rücklicht. Bei der Simson wird ja das Bremslicht mit Masse geschaltet beim Anhänger Rücklicht mit Plus.

    Kann ich da was schalten mit nen 5 PIN Relai?

  • Wozu Bremslicht am Hänger?

    Fährst du Orizündung oder Vape?

    ZFH Racing

  • Also du hast mehrere Möglichkeiten.
    1. 4 Adriges kabel verwenden + passendes Rücklicht.
    2. Thyristor Schaltung aufbauen da Wechselstrom
    3. Sag mal die Pinbelegung des 3 Adrigen Kabels.
    Das Problem ist, dass beides direkt über die Lima mit Wechselspannung betrieben wird und das Rücklicht über eine Drossel.
    Sag mal was du für eine Zündung hast und 12V oder 6V.
    Um so mehr infos man hat um so besser kann man dir helfen.

    Gesendet von meinem A0001 mit Tapatalk

    Kupplung, Bremse, Gas Simson fahren macht Spaß :rockz:

  • Das Problem ist das ich kein anderes rücklicht verbauen kann. Hab nen altes MZ rücklicht in die Anhänger Wand eingesetzt. Ärger mich schon das ich mein rundes nicht genommen habe

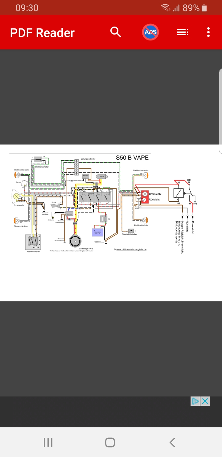
  • Das Problem ist die Wechselspannung. Du musst also eine Leitung von Batterie plus ( nach der Sicherung) zu einem Relais ziehen, dort an Klemme 86 anklemmen. An Klemme 85 kommt die Masse deines Bremslichts. Ich weiß nicht ob das Led Rücklicht Wechselspannung ohne weiteres verträgt. Dann wenn ja original Stromkabel von Bremslicht abgreifen und an Klemme 30 anschließen und das andere Ende des Led Rücklichts an Klemme 87. Wenn es Wechsel Spannung nicht verträgt dann Batterie plus an Klemme 30 und über Zündung (1. Position) Strom an Klemme 86 schalten.
    Hoffe konnte helfen.

    Gesendet von meinem A0001 mit Tapatalk

    Kupplung, Bremse, Gas Simson fahren macht Spaß :rockz:

  • Das hört sich sehr gut an. Das led rücklicht wurde an am original Kabelbaum angeschlossen.
    Also led rückleuchte an s50 und MZ rücklicht an anhänger. Was genau meinst du mit anderen Ende des stromkabels an 87.

    Ich muss dazu sagen das ich eine kabelbox unter dem sitz habe wo sich der Kabelbaum +Rücklicht, +Bremslicht, Masse Rücklicht, masse Bremse, + blinker links und rechts und Masse blinker kommt und das geht in eine 7polige dose und ans rücklicht bzw blinker

  • Meine mit Ende an 87 das "+" Kabel des Bremslichts

    Gesendet von meinem A0001 mit Tapatalk

    Kupplung, Bremse, Gas Simson fahren macht Spaß :rockz:

  • Wäre eigentlich nicht das Problem, einfach ein Zugschalter für Bremslicht und so angeschlossen das Plus geschalten wird und Masse dauerhaft anliegt. Also so wie es bei den 12V Modellen ab Werk war/ist.
    Problem ist halt die MZA Vape mit ihren zwei Stromkreisen AC/DC und das die meisten LED Rücklichter DC benötigen.
    Das Runde MZA LED-Rücklicht, hat eine Elektronik das es mit AC funktioniert, auch gaukelt das die Leistungsaufnahmen der entsprechenden Glühlampen vor, damit es überhaupt mit den ungeregelten System eine original Anlange funktioniert.
    Das Ist aber nicht zugelassen, damit eh uninteressant.
    Nicht so trotz sollte es mit Plus geschalteten Bremslicht auch funktionieren.
    "altes MZ Rücklicht" das ist mit Glühlampen oder ?
    Bau das um, das das Bremslicht Plus geschalten ist, dann funktioniert das und noch zugelassenen Rücklicht mit Glühlampen dran.
    Allerdings nur mit Abschaltung des Brems/Rücklicht am Moped wenn der Hänger dran ist, um, beide Rücklichter zu betreiben reicht auch der Strom der Vape nicht.

    Wenn es LED Brems/Rückleuchten sein sollen, dann ist eine Powerdynamo-Vape nötig da die nur ein Stromkreis DC hat, nicht wie die MZA-Vape AC/DC.
    Mit LED Brems/Rückleuchten am Moped und Anhänger sollte das dann auch ohne Abschaltung funktionieren auf Grund der geringeren Leistungsaufnahme

    Einmal editiert, zuletzt von ckich (2. Mai 2019 um 09:42)


  • Ungefähr so?

    Umständlich und Störungsanfällig.
    Wie schon beschrieben, das geht einfacher und man hat auch nicht mehr den Störungsanfälligen Bremslichtschalter nicht in der Bremsankerplatte.
    Verbaue so Bremslichtschalter (wenn du nicht schon hast) und Schalte damit das Plus vom Bremslicht und lege auf 31b dauerhafte Masse.

Jetzt mitmachen!

Sie haben noch kein Benutzerkonto auf unserer Seite? Registrieren Sie sich kostenlos und nehmen Sie an unserer Community teil!