Rücklicht zuviel saft

  • so damit ihr mal kurz eine vorstellung bekommt wie ich alles verkabelt habe.
    ich habe s50n . aber trotzdem mit einer batterie, weil ich noch eine alarmanlage verbaut habe.

    nun habe ich aber das problem das mir ständig das rücklicht raus knallt- und zwar habe ich das mit an dem strom pfad vom scheinwerfer(h4) ran geklemmt.
    die frage ist wieso hauts nur das rücklicht raus. vorallem habe ich da wechselspannung anliegen und je höher die drehzahl desto mehr spannung kommt da an.
    und wieso habe ich 18 v ladespannung (gleichspannung) an der batterie müssten das nicht ca nur 14 sein.

    das ist eine 12v e zündung mir 42w licht leistung

    Wissen ist Macht, mehr Wissen macht nichts.

  • Wenn das Rücklicht parallel zum Scheinwerfer geschaltet ist, kann's gar nicht durchfliegen, solange die H4 noch ganz ist (ich nehme an, Du hast auch ne 12-V-Lampe im Rücklicht drin). Vorne H4 mit 55 W?

    Wenn die Ladespannung nicht begrenzt ist (welche Ladeanlage haste verbaut?), gast natürlich die volle Batterie.

    R.I.P. Flori

  • in wie fern welche lade anlage? ich habe die grundplatte, das steuerteil, einen gleichrichter und die batterie. ich habe nochmal geschaut. von der grundplatte kommt eine weisses kabel. und das ist verbunden mit dem rücklicht und ein kabel geht nach vorne kann aber momentan nicht sehen wohin genau (denteil hat der vorbesitzer verkabelt) aber wenn ich das weisse kabel was von der zündung kommt abklemme habe ich hinten und vorne kein licht mehr. und ja is ne h4 55w

    Wissen ist Macht, mehr Wissen macht nichts.

  • Da hat er ja was zusammengeschustert...
    Als "Ladeanlage" haste also den Gleichrichter der S5x-Modelle :right: keine Spannungsbegrenzung. Nicht weiter tragisch, wenn Du keinen Gelakku hast und ab und zu den Säurestand kontrollierst.

    Kann's mir nur so erklären, daß Du für das Rücklicht fälschlicherweise ne 6-V-Lampe nimmst, die dann natürlich durchbrennt.

    Die H4 55 W ist viel zu stark für die 42-W-Spule. Ich empfehle Dir: Besorge Dir einen EWR und mache vorne ne H4 mit 35/35 W rein, dann haste immer volle Helligkeit (also mehr Helligkeit als jetzt).

    R.I.P. Flori

  • EWR??? ok das mit der h4 lampe mache ich mal. so und es ist eine 12v birne und ich habe ja die spannung gemessen und das ist wechselstrom der da ankommt und das ist noch abhängig von der drehzahl. standgas ca 18v und mit zunehmender drehzahl bis 40 oder so da stimt ja wohl irgendwas nicht.und das ich 18v gleichspannung ladestrom habe kann ja wohl auch nicht stimmen. und ich habe eine säure batterie keine gel.

    das is mein gleichrichter

    Silizium-Gleichrichterbrücke S53, SR50, 10,78 €

    aber da ich ja nicht genau weiss was der jeneige darum gebastelt hat, werde ich mal den ganzen ofen aus einander nehmen und alles neu verkabeln..

    Wissen ist Macht, mehr Wissen macht nichts.

  • Na dann ist das Rücklicht ganz einfach nicht parallel zum Scheinwerfer geschaltet, sonst würde es nicht durchbrennen.

    Wenn Du auf 35 W gehst, brauchste unbedingt einen EWR, das ist Dir klar? Sonst haut es Dir die Lampe gleich durch.
    http://www.zweiradteile-shop.de/elektrik/allge…3-s83-sr50.html

    Zitat von weisi;2795114

    und das ich 18v gleichspannung ladestrom habe kann ja wohl auch nicht stimmen.

    Kann schon, denn der nackte Gleichrichter begrenzt gar nix. Bei der originalen "Ladeanlage" ist wenigstens noch ne Ladedrossel drin. Am besten bauste Dir so eine ein oder nimmst gleich eine ELBA (die ist geregelt und Blinkgeber ist auch mit dabei), damit haste keine Überladung.

    R.I.P. Flori

  • muss ich den ewr durch meinen gleichrichter ersetzen? und das normale steuerteil bleibt auch drin?

    Wissen ist Macht, mehr Wissen macht nichts.

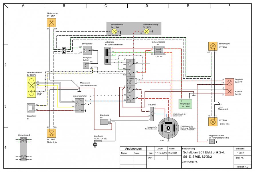
  • http://www.a-k-f.de/moser/s51-1c1.pdf
    Steuerteil hat nix damit zu tun, siehe Schaltplan. Das ist nur für die Zündung zuständig.

    Brauchst nur Klemme 31 und 59 beim EWR, damit er das tut, was er soll.
    Die anderen Klemmen sind Gleichrichter-Anschlüsse und die Umschaltung zwischen Tag-/Nachtlicht (bei Nacht haste mehr Licht, bei Tag wird die Lampe durch niedrigere Spannung geschont). Wenn Du also den EWR verbaust, kannste entweder seinen Gleichrichter nehmen oder behälst den jetzigen bei.

    R.I.P. Flori

  • Kannst du mir sagen welcher schaltplan dem am nächsten kommt? Ich will den gleichrichter raus schmeisen und nur den ewr einbauen. Weil ich bekomme dann nämlich platz probleme.

    Wissen ist Macht, mehr Wissen macht nichts.

  • Jetzt mal ganz ehrlich ich bin doch bisl doof .:-) das moped läuft ja wenn es ihne batterie läuft komplett auf wechsel Spannung. Kann ich die ganze beleuchtungs geschichte eigentlich auf gleich spannung bringen

    Wissen ist Macht, mehr Wissen macht nichts.

  • Ja also ich werde mal das alles neu machen. Und du meinst der gleichrichter kann raus und nur den ewr rein. ? Na hoffentkich blicke ich das welche kabel an den ewr müssen. Ich brauche ja da ding nur damit die batterie geladen wird. ..

    Wissen ist Macht, mehr Wissen macht nichts.

  • Der EWR soll die Spannung für Dein Licht begrenzen, damit Du bei jeder Drehzahl gleichmäßige Helligkeit hast und die Lampe nicht wegen Überlast durchfliegt. Daneben hat er noch nen Gleichrichter drin, mehr aber auch nicht, also keine Laderegelung (dafür wäre die ELBA zuständig). Ohne Laderegelung wird halt Deine Batterie ziemlich brutal geladen/überladen und Du mußt öfters destilliertes Wasser nachfüllen.

    Ohne ELBA machste's einfach so:
    Das grüne Kabel im Schaltplan geht von Klemme 59ab nicht zur ELBA, sondern direkt ans Zündschloß, wo auch die Hupe dranhängt (15/51). Dort müssen dann bei eingeschalteter Zündung die 12 V von Deiner Batterie anliegen. 31c läßt Du einfach weg und der Rest wie gehabt. Auf jeden Fall darauf achten, daß die Masse am EWR (Klemme 31) richtig und sicher anliegt.

    R.I.P. Flori

  • Also um das ganze jetzt mal zusammen zu fassen. Wenn ich jetzt mein moped mit batterie betreiben möchte und und alles richtig machen möchte. Brauche ich den EWR und die elba. Der gleichrichter würde ja dann entfallen.

    Wissen ist Macht, mehr Wissen macht nichts.

  • Ja dass ist dann alles richtig so. Deinen "alten" Gleichrichter brauchst du dann nicht mehr.
    Wie schon "Elektromensch" sagte, die "12V-ELBA" regelt dann deinen Ladestrom für deine12V- Batterie. Die "Blinkerfunktion" (der ELBA) bleibt dann eben ohne Funktion.

    jason

  • so ich habe mal einen schaltplan etwas bearbeitet. ich will ja das zündschloß aus dem schaltplan raus haben aber ich komme nicht weiter . und ich weiß nicht so recht ob das was ich hier gemacht habe erstmal richtig ist.

    vielleicht kann sich das mal bitte einer angucken und eventuell verbessern. und das ganze ist natürlich als 12 v zusehen und nicht als 6v so wie es auf dem schaltplan ist

  • Klemme 2 am Steuerteil muß mit über das Zündschloß geschaltet werden, sonst wäre Deine Zündung permanent ausgeschaltet, wie es jetzt ist. Schwarz-blaues Kabel für die Lichthupe kann raus und wenn Du ne massefreie Ladespule hast, mußt Du das rot-gelbe Kabel an Masse anschließen und die Ladeanlage dafür ans Stoplicht.
    Rücklicht parallel zum Scheinwerfer, d.h. an das rot-weiße Kabel aus der Lichtmaschine (dort kommt dann auch noch der EWR dran).

    R.I.P. Flori

  • Ich habe aber kein Zündschloss ich habe nur einen taster an der rechten amatur um das moped aus zu machen das Zündschloss was da aufgemalt ist ja gar nicht vorhanden

    Wissen ist Macht, mehr Wissen macht nichts.

Jetzt mitmachen!

Sie haben noch kein Benutzerkonto auf unserer Seite? Registrieren Sie sich kostenlos und nehmen Sie an unserer Community teil!