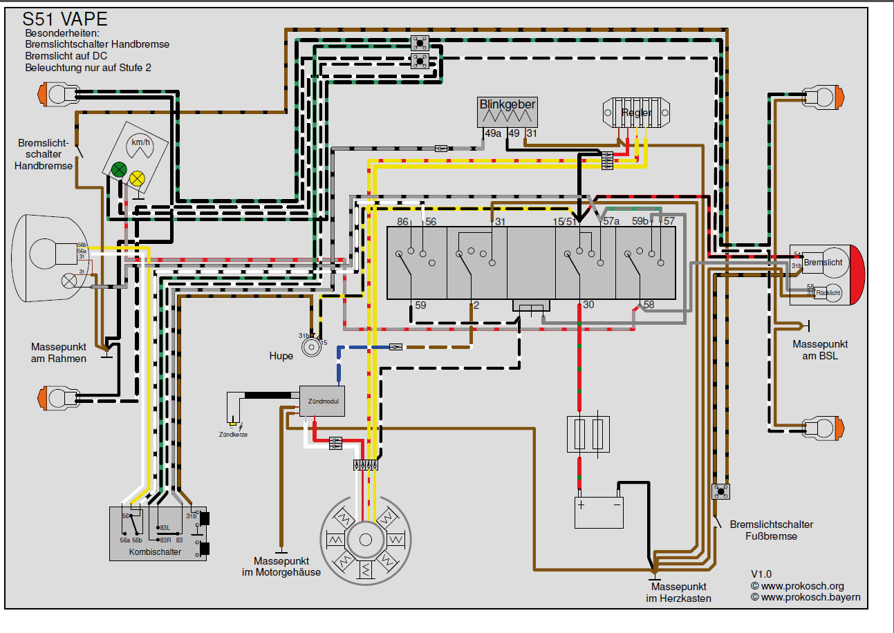
nach ein paar anderen Versuchen (unter anderem mit Visio) habe ich auf einen Tip hin die Schaltpläne meiner Simsen mit dem PRogramm "ProfiCAD" gezeichnet.
Vorteile profiCAD: kostenlose Privatanwenderversion verfügbar Layerverwaltung Einfaches Zeichnen gestrichelter Linien Verwaltung für selbst gezeichnete Symbole Symbole einfach zu erstellen Auch als Portable-Version vom Stick lauffähig, keine Installation nötig
Als Vorlage habe ich die Schaltpläne von Simmipage genommen, die bei den neuen Kabelbäumen mit dabei sind, da ich diese übersichtlicher finde als die Moser-Pläne.