Licht Funktioniert nicht... Hilfe...

  • Hey Männers, habe nun den Kabelbaum fertig und alles Haargenau nach Schaltplan angeklemmt, erstes Kuriosum: bei Schlüsselstellung 2 "Licht" geht warum auch immer nur vorn das Standlicht... :-/ so wenn ich das Bienchen anlass funktioniert nach wie vor nur das Standlicht vorn!
    Woran kann das liegen? eventuell am EWR?

    Gruß Siggi

  • @ Simme2012
    Um welches Möp geht es denn überhaupt??
    EWR spricht ja für ein 12V-Bordnetz. Bei einem 12V-Bordnetz sind ja zwei Lichtspulen auf der GP. Eine 12V/42W Lichtspule für 35W-Hauptlicht, 5W-Rücklicht u. 2W Tachobel. u. eine 12V/21W Lichtspule für 21W-Bremslicht u. Batterieladung.

    jason

  • Von deiner Gp kommen 5 Kabel. Zündung funktioniert ja. Diesen originalen Zünder (Gp u. Polrad) 8305 darfst du nicht "ohne" Batterie betreiben. Selbst eine def. Batterie sollte immer verbaut sein!
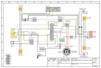
    Kabel rot/gelb (rt/ge), grau/rot (gr/rt) u. Kabel rot/weiss (rt/ws) kommen von deiner Gp u. sind für dein Hauptlicht, Bremslicht u. Batterieladung.
    Kabel rt/ws geht auf deinen Klemmverbinder (Dreierkontakt unterhalb an Zündschloss). Kabel gr/rt geht auf Klemme "59b" am EWR. Kabel rt/ge geht auf Klemme "59a" am EWR. Wichtig ist auch dass Klemme "31" (am EWR) guten Massekontakt hat!
    Von Klemme "59" (am EWR) geht ein weiteres Kabel (im Schaltplan ws) mit auf den Dreierkontakt unterhalb am Zündschloss.
    Von dieser Klemmverbindung (Dreierkontakt unterhalb am Zündschloss) geht dann ein weiteres Kabel (im Schaltplan schwarz/weiss "sw/ws") zu deiner Klemmleiste (im Herzkasten) auf dein Kabel zum Lichtschalter am Lenker. Von dieser Dreierverbindung (unterhalb am Zündschloss) geht noch das Kabel gr zum 12V/5W Rücklicht. Somit sind dann 4 Kabel an dieser Dreierverbindung (unterhalb am Zündschloss) geklemmt. Damit hast du dann deine 12V/42W Lichtspule für dein Hauptlicht (35W) u. Rücklicht (5W) belastet. Das ist dann Dauerlicht.
    Klemme 59ab (am EWR) ist für dein Bremslicht u. Batterieladung. Wenn das Bremslicht eingeschaltet ist wird die Batterieladung unterbrochen. Da beim 12V-Bordnetz das Bremslicht über + (stromführend) geschaltet wird, ist der alte Masseschalter (in der Bremsankerplatte/Hinterrad) nicht geeignet. Das Rücklicht/Hinterlicht beim 12V-Bordnetz wird auch dementsprechend anders belegt!
    Klemme 31c Kabel ge (am EWR) ist für Nachtfahrt grdacht u. wird am Zündschloss auf Klemme 56 am Zündschloss geklemmt. Bei "Dauerlicht" (Stellung 1 am Zündschloss) wird dein Hauptlicht nur mit
    12,2 V belastet. Auf Stellung 2 (am Zündschloss) wird dein Hauptlicht dann mit 14 V belastet. Also etwas kräftiger.
    So solltest du alles verkabelt haben.

    jason

  • Vielleicht hat der EWR nen Treffer. Kannst ja dort mal die 59 abklemmen. Aber Vorsicht: Wenn das Licht funktioniert, sofort wieder ausschalten. Kann nämlich passieren, daß die Lampe durchbrennt wegen der fehlenden Spannungsbegrenzung.

    Wenn's dann immer noch nicht leuchtet, ist evl. irgendwo ein Kurzer in den Leitungen zur Lampe oder in den Fassungen (Vorder- oder Rücklicht). Hat die Lichtspule Durchgang?

    R.I.P. Flori

Jetzt mitmachen!

Sie haben noch kein Benutzerkonto auf unserer Seite? Registrieren Sie sich kostenlos und nehmen Sie an unserer Community teil!