Unsere S50 - Neu in der Simson-Welt!

  • Die schnelle Beantwortung deiner Fragen liegt natürlich auch an der Art und Weise deiner Beiträge. Ordentlich geschriebene und gestellte Fragen und das du dir auch selbst Gedanken machst sieht man natürlich gerne und hilft dann auch gern.

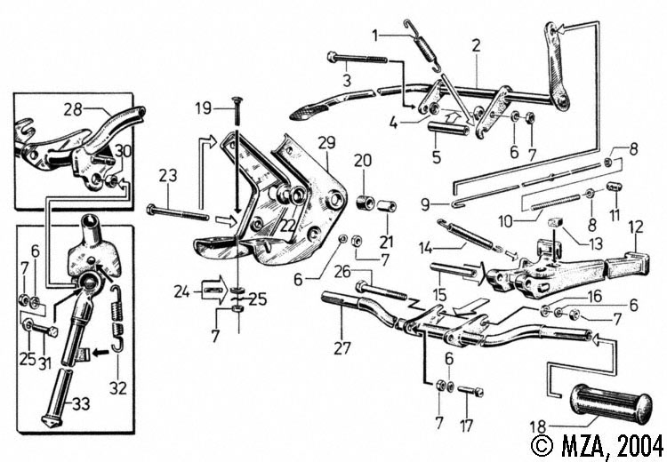
    Hier hast du nochmal den Aufbau der Motorhaltebleche im ersten Bild und im zweiten Bild sieht man das Gummitonnenlager Nr.13 das unter dem Motor sitzt.

  • Ja, das ist ein Motorlager Set mit allem was du brauchst.
    Die kleinen Gummibuchsen mit den Hülsen lassen sich bescheiden verbauen, ich nehme da immer gleich Kunststoffbuchsen.

    Aber du solltest wissen, daß du das halbe Moped zerlegen musst um die Gummis zu wechseln.

    85/4 neu eastsideperformance :thumbup:
    [b][size=14]70/2 eastsideperformance :thumbup:
    [b][size=14]85/5M Adler tuning/esp :thumbup:

  • Zitat von dhperformancegarage

    Ja, das ist ein Motorlager Set mit allem was du brauchst.
    Die kleinen Gummibuchsen mit den Hülsen lassen sich bescheiden verbauen, ich nehme da immer gleich Kunststoffbuchsen.


    Das wären die hier:
    [Blockierte Grafik: https://www.mopedstore.de/bilder/produkte/gross/Polyamid-Buchse-solo-f-Schwinge-u-Motorlager-S51S70-Fuer-Moto.jpg]

    Zitat von dhperformancegarage

    Aber du solltest wissen, daß du das halbe Moped zerlegen musst um die Gummis zu wechseln.


    Das habe ich angesichts der Zeichnung schon fast schon befürchtet :mellow: ... dann sollte man vielleicht die Schwingengummis/buchsen auch gleich machen oder?

    Sollte aber wenn man sich einen ganzen Tag Zeit nimmt an einem Tag zu machen sein oder?

    was noch fährt ist nicht kaputt

  • Wenn man weiß was man tut, dann geht das auch deutlich schneller. Alles in allem kann man da in 4 Stunden fertig sein. Wir haben das neulich abend in gut 2,5h inkl. Reinigung gemacht.
    Und da du keine zwei linken Hände hast, trau ich dir das zu.


    Gesendet von meinem GT-I9195 mit Tapatalk

    Schlagt mich, wenn ihr könnt!

  • Genau diese Kunststoffbuchsen, damit wäre deine Lagerung auch für mehr Leistung geeignet. Wie du schon richtig erkannt hast sollte die Schwinge gleich mit gemacht werden.
    Ich kaufe meine Ersatzteile immer in der Ostoase, da gibt es die Buchsen zb auch in schwarz. Sieht dann wieder original aus.

    85/4 neu eastsideperformance :thumbup:
    [b][size=14]70/2 eastsideperformance :thumbup:
    [b][size=14]85/5M Adler tuning/esp :thumbup:

  • Allnsklor, Danke Dir!
    Muss man sich denn auf viel stärkere Vibrationen einstellen, wenn man bei den Motorlagern auf Poly-Buchsen umrüstet?

    Bei den Käfern schwören wir ja auf PU-Buchsen anstelle der originalen Fahrwerksgummis.
    Man bekommt tatsächlich auch gar nicht mal so teure PU-Buchsen für die Simme. --> klick
    hat die schonmal jemand ausprobiert?

    Gruß Peter

    was noch fährt ist nicht kaputt

  • Wie beschrieben hält sich die mehr Vibration in Grenzen. Die Preise liegen immer so in dem Bereich für solche Buchsen

    85/4 neu eastsideperformance :thumbup:
    [b][size=14]70/2 eastsideperformance :thumbup:
    [b][size=14]85/5M Adler tuning/esp :thumbup:

  • Ich habe mir jetzt mal die Polyurethan-Buchsen dazu bestellt, kosten ja nicht viel.
    Da die Erfahrungen mit den PU-Buchsen beim Käfer wirklich sehr gut sind, werde ich die für die Motorlager nehmen oder auch nicht, mal sehen.
    Im Auto halten die ewig und sind recht einfach zu montieren.

    Eine Frage zur Gummimuffe (Ansaugmuffe) hätte ich noch. Wie locker oder stramm muss die denn auf die Stutzen gehen?
    Nachdem ich mir nun "Tonnen" von Bildern angesehen habe, gehören da ja offenbar keine Schlauchschellen dran. Also muss die Muffe ja so fest sitzen, dass sie zumindestens weder von den Stutzen abrutscht noch offene Spalten schlägt. Beides tut aber die Gummimuffe an unserem Moped, sobald ich die Schlauchschellenn weglasse ... :cry:
    Meine geht wirklich sehr sehr leicht obwohl sie eigentlich neu aussieht. Gibt es da auch wieder Qualitätsunterschiede die sich dann in ungenauen Durchmessern (zu weit) bei den Repro-Teilen zeigen?
    Und falls ja, welche würdet ihr mir raten zu bestellen?

    was noch fährt ist nicht kaputt

  • Also die nachbau Muffen sind schon weicher auf jedenfall, normalerweise sollte es schon saugend bis etwas straff drauf sitzen. Auch wird der nachbau gummi meist schneller rissig.
    Ich hab mir mal bei Ebay paar Muffen aus DDR Zeiten gekauft und da gibt's keine Probleme.
    Würde ich dir vielleicht auch empfehlen eine gute gebrauchte zu versorgen.

    85/4 neu eastsideperformance :thumbup:
    [b][size=14]70/2 eastsideperformance :thumbup:
    [b][size=14]85/5M Adler tuning/esp :thumbup:

  • nachdem ich mir das jetzt alles in allen möglichen Quellen (Ersatzteilliste, Reparaturanleitung, Fotos im web) angesehen habe und nachdem jetzt auch die Teile hier liegen und ich sie vor mir sehe, kapiere ich nun auch, wie der Motor der "Simme" aufgehängt ist und dass das ganze sehr wohl doch mit dem Schwingenbolzen zu tun hat. :idea:

    Ich kann nicht verhehlen, dass ich von dem konstruktiven Aufwand, den die Suhler hier betrieben haben echt verblüfft bin. So aufwändig war bei den West-Kraftis meiner Jugend der Motor nicht aufgehängt. [Blockierte Grafik: http://www.kaeferundfreunde.de/images/smilies/icon_eek.gif]
    Wir hatten dann halt immer "Stimmgabelfinger" wenn wir längere Strecken gefahren waren.
    Ich denke/hoffe, dass der Versatz zwischen Vergaser und Herzkasten sich relativieren wird, wenn die Teile gewechselt sind.
    Jetzt warten wir noch auf die Lieferung der PU-Buchsen für die Motorlager, dann wird entschieden was reinkommt und nächste Woche wird der Kram gewechselt. Ist dann auch eine gute Gelegenheit, den Motor und den Rahmen dort unten etwas gründlicher sauber machen zu können.

    Wir haben auch inzwischen einen schönen 6-Volt-Akku hier stehen, da treibt mich noch die Frage um, wie man den Akku in die Elektrik einbaut, da wir ja offenbar eine E-Zündung mit Regler haben, sollte das ja möglich bzw. vorgesehen sein. Dann könnte auch die vogeschriebene Hupe an besorgt und eingebaut werden. Mal sehen ob ich da weiterkomme, da werde ich bestimmt wieder bei Euch um Hilfe fragen ...

    Gruß Peter

    was noch fährt ist nicht kaputt

  • Zitat von PeterHadTrapp


    Das habe ich angesichts der Zeichnung schon fast schon befürchtet

    Früher oder später wirst du sowieso das moped komplett zerlegen müssen um die ganzen macken, die du mit der zeit entdeckst, zu beseitigen. ein moped das man irgendwo gekauft hat und es somit nicht kennt, sollte man eigentlich immer komplett zerlegen und neu aufbauen. da weiß man was man gemacht hat und kann sich sicher(er) sein, dass man nicht während der fahrt plötzlich auf die fresse fliegt oder irgendwas abfällt oder der motor verreckt weil der vorbesitzer mist gebaut hat oder irgendwas den geist aufgegeben hat was man von aussen nicht sieht. die vorbesitzer sagen zwar immer dass nix dran gemacht werden muss und alles in ordnung ist. aber wann kann man das glauben und wann nicht?

    Hast du bei deinem Motor mal nach dem Getriebeöl geschaut? Kuck mal ob noch welches drin ist. wenn nicht dann füll mal nen halben liter rein und schau dann ob es aus dem auspuff qualmt wie sau. ich kann mir gut vorstellen dass der motor gemacht werden muss.

    ich für meinen teil mach in dem thread auch n bisschen mit weil du kein depp zu sein scheinst. allein schon dass du keine blinker am moped hast macht dich find ich sympatisch. so nen unsinn braucht auch kein mensch am moped.

    nochmal zur bremse. ja die vordere bremse ist halt einfach scheisse bei der simson. probier mal das:

    Jede Trommelbremse mit nur einem Nocken hat einen auflaufenden und einen ablaufenden Bremsbacken, wobei ersterer rund drei Viertel der eingeleiteten Handkraft in Bremskraft umsetzt und letzterer folglich nur ein Viertel. Allerdings muss man wissen, dass sich zuerst der Backen an die Bremstrommel anlegt, der von der Unterseite des Nockens bewegt wird. Hat sich dann dieser Backen angelegt, kann sich aber der Nocken nicht mehr weiterdrehen und der andere Backen wird so gut wie überhaupt nicht mehr an die Trommel gepresst. Und genau da liegt das Problem: Schaut man von der Kickstarterseite auf die Vorderradbremse, so dreht sich der Bremsnocken entgegen dem Uhrzeigersinn und somit wird der ablaufende Backen von der Nockenunterseite bewegt, d.h. der ablaufende Backen, der im Höchstfall ein Viertel Handkraft in Bremskraft umsetzt, legt sich an die Bremstrommel an und der auflaufende Backen (so gut wie) nicht, daher auch die mangelnde Bremswirkung. (Bei der Hinterradbremse ragt die Bremse genau von der anderen Seite in die Trommel, sodass dort der auflaufende Backen von der Nockenunterseite bewegt wird, weshalb die Hinterradbremse meist auch mächtig gewaltig bremst.) Um den Schaden zu beheben gibt es verschiedene Möglichkeiten: Man könnte z.B. warten, bis sich der ablaufende Backen so weit abgenutzt hat, dass der auflaufende Backen zum Tragen kommt. Das dauert allerdings ewig. Deshalb gibt es auch noch eine elegantere Lösung: Man feilt einfach von der Nockenseite, die den ablaufenden Backen bewegt (was bei der Simson-Vorderradbremse ja die Nockenunterseite ist), rund 1 bis 2 Millimeter ab und das Problem ist gelöst, d.h. die Bremswirkung verbessert sich. Den gleichen Effekt müsste man auch erreichen, wenn man bei verschlissenen Backen nur den Auflaufenden mit einer Zwischenlage versieht, sodass dieser die Bremstrommel zuerst erreicht. Mehr als 2 bis allerhöchstens 3 Millimeter sollte man aber nicht abfeilen.

  • Dein Grundgedanke ist schon richtig zwecks Neuaufbau, aber nicht jedes Moped ist so Schrottig das es gleich zerlegt werden muss. Man muss sich einfach einen Überblick verschaffen, genauso wie nicht jeder Motor schrott ist und undichte Simmerringe hat, malst ja den Teufel ganz schön an die Wand!

    Und dein Einwand mit den Blinkern Find ich ziemlichen Unsinn, wenn man rücksichtslos fährt und niemandem anzeigt wenn man abbiegt oder sonstiges, sind keine Blinker ne top sache und provozieren unnötig gefährliche Situationen!
    Es gibt nichts behinderteres als beim abbiegen die Hände vom lenker zu nehmen und somit weder Kuppel, schalten, noch gasgeben zu können !

    85/4 neu eastsideperformance :thumbup:
    [b][size=14]70/2 eastsideperformance :thumbup:
    [b][size=14]85/5M Adler tuning/esp :thumbup:

  • Zitat von miba

    Jede Trommelbremse mit nur einem Nocken hat einen auflaufenden ...
    ... Mehr als 2 bis allerhöchstens 3 Millimeter sollte man aber nicht abfeilen.

    OK, erstmal Danke für die ausführliche Erklärung zur Bremse, das leuchtet mir so weit ein. Ich hatte ja in dem anderen Thema, wo es ums optimieren der Vorderbremse geht schon nachgefragt und dort wurden aussagekräftige Bilder verlinkt, zusammen mit Deiner Erklärung habe ich das nun wohl soweit verstanden. Das wird wohl sicher ausprobiert.

    Zitat von miba

    Früher oder später wirst du sowieso das moped komplett zerlegen müssen um die ganzen macken, die du mit der zeit entdeckst, zu beseitigen. ein moped das man irgendwo gekauft hat und es somit nicht kennt, sollte man eigentlich immer komplett zerlegen und neu aufbauen. da weiß man was man gemacht hat und kann sich sicher(er) sein, dass man nicht während der fahrt plötzlich auf die fresse fliegt oder irgendwas abfällt oder der motor verreckt weil der vorbesitzer mist gebaut hat oder irgendwas den geist aufgegeben hat was man von aussen nicht sieht. die vorbesitzer sagen zwar immer dass nix dran gemacht werden muss und alles in ordnung ist. aber wann kann man das glauben und wann nicht?


    Die Frage mit der "Vollrestaurierung" stellt sich jetzt erstmal nicht. Der Motor springt sowohl kalt als auch warm sehr gut an und läuft nach meinem Dafürhalten auch ganz vernünftig. Ich gehe mal davon aus, dass er im realistisch anfallenden Kurzstreckenbetrieb den Sommer über halten wird, auch wenn er vielleicht ein bisschen Getriebeöl verbrennt, das bleibt erstmal so.
    Die restliche Technik habe ich soweit es meine Möglichkeiten hergeben durchgesehen und auch schon einiges an "Böcken" gefunden und behoben. Jetzt kommen noch die Motor- und Schwingenlager neu rein, die Lenkanschläge brauchen noch ein oder zwei aufgeschweißte Punkte, die Reifen werden noch gewechselt (liegen schon hier) und dann können die Jungs das Moped in meinen Augen erstmal soweit sicher fahren.
    Im Winter soll sie keinesfalls gefahren werden, da wollen wir dann eh noch einiges machen.

    Die Sache mit den Motorlagern ist ja auch kein ganz großes Drama. Motor ausbauen, Schwinge ausbauen. Die Teil reinigen, die Gummis bzw. Buchsen wechseln, das untere "Tonnenlager" wechseln und wieder zusammenbauen. Wir planen dafür einen Tag ein, das sollte reichen.
    Die Blinkerfrage würde ich jetzt mal nicht ganz so hoch hängen. Wir leben hier auf dem absouten Land, es gibt genau zwei Ampeln in unserer nächsten "Stadt", in unserem Dorf nicht mal eine Vorfahrtsstraße. Das Fahrrad und das Mofa haben auch keine Blinker, damit kommt der Junior auch bestens zurecht. Wenn wir jetzt in Fulda oder so wohnen würden, würde ich das vielleicht auch anders sehen ...

    was noch fährt ist nicht kaputt

  • Zitat von PeterHadTrapp


    Die Blinkerfrage würde ich jetzt mal nicht ganz so hoch hängen. Wir leben hier auf dem absouten Land, es gibt genau zwei Ampeln in unserer nächsten "Stadt", in unserem Dorf nicht mal eine Vorfahrtsstraße. Das Fahrrad und das Mofa haben auch keine Blinker, damit kommt der Junior auch bestens zurecht. Wenn wir jetzt in Fulda oder so wohnen würden, würde ich das vielleicht auch anders sehen ...

    Blinker ist schlicht und einfach ein gewisse Sicherheit für meine Begriffe.
    Zeig mir den der Vorschriftsmäßig die Hand raus hält so das es auch wirklich für jeden zu sehen ist.
    Das macht kaum ein Fahrradfahrer und jemand der noch die Hände zum schalten/Gas geben braucht gleich gar nicht.
    Die Hand raus zu halten ist dann auch noch uncool bei dem meisten.
    Da ist Nebensache ob das Dorf eine Kreuzung hat oder 10.

  • Ich denke man kann das einfach mal so stehen lassen, es gibt hier zum Thema "Blinker ja oder nein" verschiedene Ansichten und das darf doch auch so sein oder`?
    Wäre schön wenn wir zu den technischen Fragen zurück kehren könnten.
    Ich habe mir jetzt jedenfalls bei ebay-Kleinanzeigen eine original DDR-Ansaugmuffe gekauft. Wenn dann die Motorlager- und Schwingenbuchsengummis ersetzt sind, steht der Motor hoffentlich etwas besser in der Flucht und die original DDR-Lagerware-Muffe lässt sich dann vielleicht auch so montieren, dass der Motor keine Falschluft nach den Luftfilter zieht.

    Muss man eigentlich beim Reifenmontieren mit den Aluminium-Felgen besonders vorsichtig sein? Wenn ja, wie macht ihr das (z.B. Lappen unter die Montierhebel)?

    Gruß Peter

    was noch fährt ist nicht kaputt

  • Blinker am Moped sind schwul das braucht keine Sau. Lass dir da nichts einreden Peter!

    Besonders vorsichtig musst du bei der reifenmontage nicht sein. Zum aufziehen brauchst du bei solchen spielzeugrädern gar keine montierhebel. Und zum abziehen nur am anfang

  • Stell die Reifen vor der Montage in die Sonne oder an eine Heizung. Wen der neue Schlauch eine Talkumschicht hat, ist das ok, wenn nicht, gib die paar Cent aus und kauf dir Talkum und bring die Staubschicht selbst in den Mantel. Ansonsten rubbelt sich über die Zeit Mantel an Schlauch kaputt.
    Zum Aufziehen braucht man bei einigen Mänteln (z.B. Heidenau K36/1) nahezu keine Hilfsmittel. Damit es vernünftig flutscht bring Reifenmontagepaste oder Spülmittel auf Felgenring und Reifenflanke auf. Auf keinen Fall Öl oder Fett.
    Beim Thema Blinker bin ich nicht auf deiner Seite, aber mach mal. Ist ja dein Moped.
    Zum Versatz noch ein Hinweis. Die beiden Motorhalter sind nach links/rechts nicht wirklich begrenzt. Das bedeutet, dass du jeden Halter für sich etwa 1cm nach links oder rechts schwimmend auf der PU Buchse verschieben kannst. Je nach passung der Buchse muss man die Halter mit Holzkeil und Hammer auch treiben. Damit lässt sich deine Flucht einstellen. Bedenke aber, dass die Flucht Ritzel hinten/Ritzel vorn deutlich wichtiger ist als die Flucht zwischen Herzkasten und Vergaser. Ein kleiner Versatz vorn ist besser als ein kleiner hinten.
    Bei der Bremse bin ich kein überzeugter Nockenfeiler. Konstruktionsbedingt ist die auflaufende Backe nun mal stärker am Bremsvorgang beteiligt, da sie sich bei Anpressdruck aufrichtet und damit noch weiter mitbremst. Ein Abfeilen des Nockens schwächt diese wirkungsvolle Backe. Absolut nicht mein Ding. Es gibt auch andere Optimierungsmaßnahmen. Meine S50 bremst ohne abgefräste Nocken sehr manierlich. Will man es noch besser, bleibt die Scheibenbremsoption.
    Viel Spaß beim Bauen.

    Gesendet von meinem GT-I9195 mit Tapatalk

    Schlagt mich, wenn ihr könnt!

Jetzt mitmachen!

Sie haben noch kein Benutzerkonto auf unserer Seite? Registrieren Sie sich kostenlos und nehmen Sie an unserer Community teil!