Kein Fahrtlicht nach VAPE Umbau

  • Hallo liebe Gemeinde,

    eigentlich hatte ich mir gesagt dass ich mich nie wieder in einem Forum anmelde aber die besonderen Umstände, die ich gleich schreibe, lassen mir keine andere Wahl.

    Erstmal zu mir, ich bin Thomas, 40, gebürtiger Marienberger. Das Thema Simme hat mich immer interessiert, bis ich mir vor einem Monat endlich mal eine S51 gegönnt habe.
    Leider ist es ein Ungarn Möp aber das ist eine andere Geschichte, das bekomm ich geregelt, auch dank des Forums.

    Wie Eingangs erwähnt, steh ich vor einem ziemlich kuriosen Problem:

    Hab die Kiste auf VAPE umgebaut, alles tutti, die Karre läuft, sie blinkt, sie hupt. Auf Stellung 3 sind, wie durch ein Wunder, die Standlichtbirnen an. ;)

    Zusätzlich hab ich noch einen H4 Scheinwerfer verbaut.

    Lass ich nun die Kiste in ZüSchlo Stellung 2 an, funzt die Standlichtbirne nimmer (okay, deswegen heißt es wohl Standlicht) aber nun kommt das, was mir Kopfzerbrechen bereitet:

    Das Fahrlicht geht nicht. Null, Niente. Hab alles korrekt verkabelt, hab es drei mal geprüft (Ich schwör)

    Was jedoch funktioniert, ist die Lichthupe. Schlusslicht brennt, Bremslicht geht auch.

    Nun also die Frage: Warum... WARUUUUM! Warum gehen weder Abblend- noch Fernlicht? An der Klemmung hab ich Klemme 59 UND 56 probiert, ausgehend vom 3er Verteiler.

    Hoffe Ihr könnt mir helfen.

    Vielen Dank!

    Loud pipes save lifes.

  • Rücklicht und Bremslicht funktionieren bei laufenden Motor?

    Wenn nein, dann mal den vierfach Stecker der Vape kontrollieren. Die Pins rutschen gern mal raus (Spannungsversorgung ist Gelb und Gelb/Rot)

    Mein Moped lebt! Es qualmt, es säuft und manchmal bumst es auch. ^^

  • Was für eine Vape MZA-Vape oder Powerdynamo-Vape ?


    Zitat

    Lass ich nun die Kiste in ZüSchlo Stellung 2 an, funzt die Standlichtbirne nimmer (okay, deswegen heißt es wohl Standlicht) aber nun kommt das, was mir Kopfzerbrechen bereitet

    Das wäre falsch , daher bezweifel

    Zitat

    Hab alles korrekt verkabelt

    ich dies

    Zitat

    Warum gehen weder Abblend- noch Fernlicht? An der Klemmung hab ich Klemme 59 UND 56 probiert, ausgehend vom 3er Verteiler.

    Hast du mal gemessen ob auf Zündschloss Klemme 59 Strom hast ? Wenn da Strom ist sollte in Zündschloss Stellung 2 auf Klemme 56 auch Strom sein

  • Was für eine Vape MZA-Vape oder Powerdynamo-Vape ?


    Das wäre falsch , daher bezweifel

    ich dies

    Hast du mal gemessen ob auf Zündschloss Klemme 59 Strom hast ? Wenn da Strom ist sollte in Zündschloss Stellung 2 auf Klemme 56 auch Strom sein

    Es ist die MZA Vape. Denk ich. Die hier:


    ✓ VAPE - Zündanlage Komplettsett für Simson* S50, S51, S70, 311,86 €
    Endlich eine zuverlässige, nahezu wartungsfreie elektronische 12 Volt Zündung mit deutlich hellerem Licht. Rüste jetzt auch dein Moped um.
    www.ostoase.de


    Bzgl. der Zündschloss Klemmen Durchgangsmessung: Hab nicht gemessen. Muss das mit laufendem Motor oder mit angeschlossener Batterie gemessen werden? Sorry, bin Bürofuzzi... :-/ Hatte das Zündschloss gewechselt, ohne Resultat.

    Loud pipes save lifes.

  • Ok. MZA-Vape und nach dem Schaltplan verkabelst du sicherlich

    https://media.akf-shop.de/media/pdf/30/65/23/s50b1_vape.pdf

    Zitat

    Bzgl. der Zündschloss Klemmen Durchgangsmessung: Hab nicht gemessen. Muss das mit laufendem Motor oder mit angeschlossener Batterie gemessen werden?

    Du sollst da keine Durchgangsmessung machen, sondern schauen ob 12V am Klemme 59 Zündschloss ankommt und wenn ja ob auf Klemme 56 auch12V anliegt wenn das Zündschloss in Stellung 2 steht.

    Dazu muss der Motor laufen weil Scheinwerfer, Rücklicht sowie Bremslicht nur bei laufenden Motor Strom bekommen.

    Dann kannst du gleich mit schauen wo du das Kabel vom Standlicht im Scheinwerfer angeschlossen hast, an welcher Klemme.

  • Ok. MZA-Vape und nach dem Schaltplan verkabelst du sicherlich

    https://media.akf-shop.de/media/pdf/30/65/23/s50b1_vape.pdf

    Du sollst da keine Durchgangsmessung machen, sondern schauen ob 12V am Klemme 59 Zündschloss ankommt und wenn ja ob auf Klemme 56 auch12V anliegt wenn das Zündschloss in Stellung 2 steht.

    Dazu muss der Motor laufen weil Scheinwerfer, Rücklicht sowie Bremslicht nur bei laufenden Motor Strom bekommen.

    Dann kannst du gleich mit schauen wo du das Kabel vom Standlicht im Scheinwerfer angeschlossen hast, an welcher Klemme.

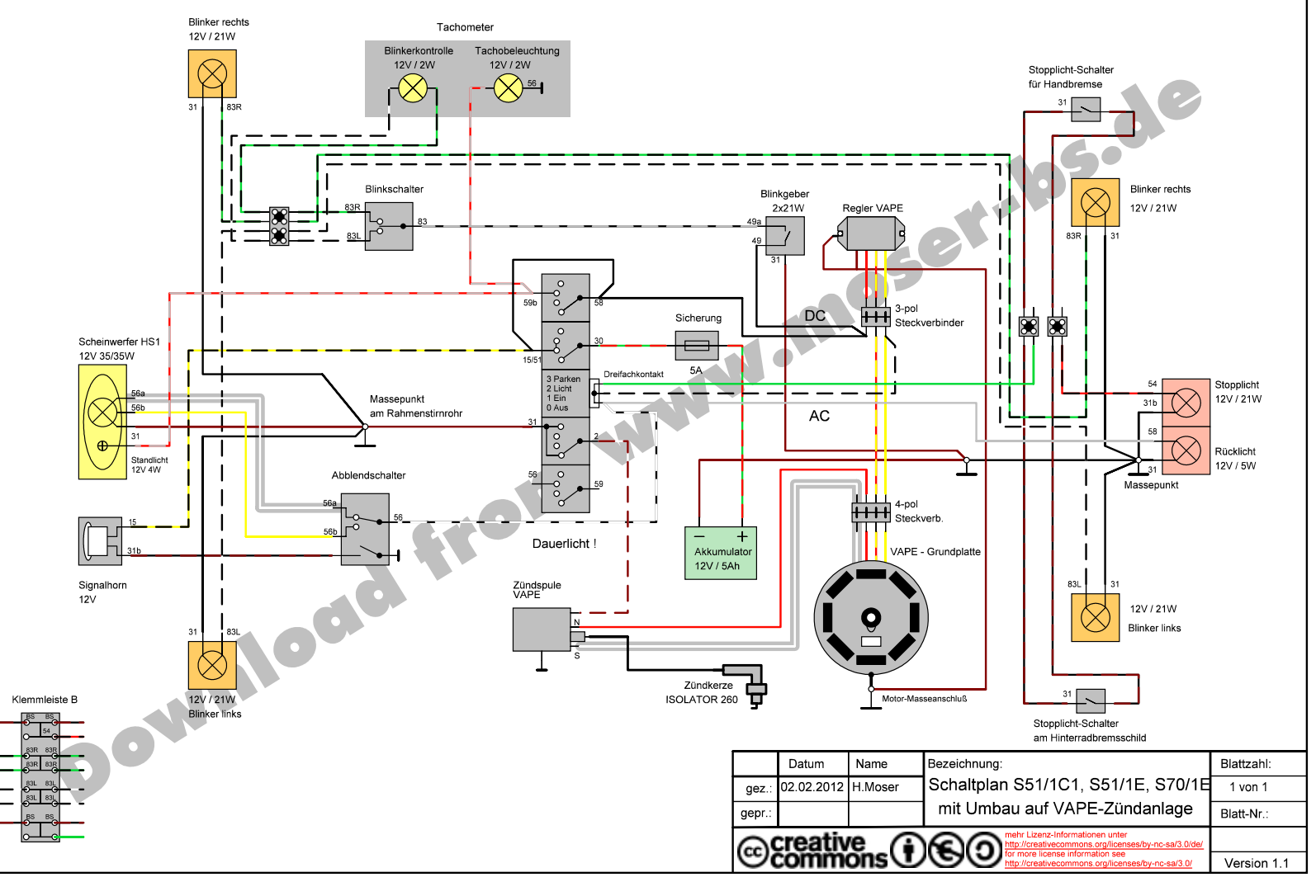
    Ich danke dir! Hab den Moser Schaltplan genommen zum verkabeln und das Standlicht an Klemme 57a angeschlossen. Die Strommessung mach ich mal. Was mach ich wenn KEIN Strom an den Klemmen anliegt?

    Loud pipes save lifes.

  • und das Standlicht an Klemme 57a angeschlossen.

    Wenn alles richtig angeschlossen ist, kann das Standlicht nicht in Stellung 2 leuchten, nur in Stellung 3. wie man im Schaltplan erkennen kann.

    Zitat

    Was mach ich wenn KEIN Strom an den Klemmen anliegt?

    Schauen ob du 12V am 3 Fachverteiler vom Zündschloss hast.

  • Wobei... Dürfte dann das Rücklicht leuchten, wenn der 3er keinen Saft bekommt? Frage für nen Freund... ;)

    Richtig, das Rücklicht ist da auch dran wie auch das Bremslicht, daher stellt sich mir die Frage, ist das Kabel vom 3 Fachverteiler zur Klemme 56 vorhanden?

    Wenn ja sollte auch an Klemme 59 12V anliegen und das wenn Zündschloss in Stellung 2 durchschaltet, auch auf Klemme 56

    2 Mal editiert, zuletzt von ckich (6. November 2024 um 10:06)

  • ich lese interessiert mit.

    Bei meiner S50 ist es identisch.

    Alles funktioniert,nur die Scheinwerferlampe nicht.

    Ich hatte den Nachbauschalter im Verdacht weil es ging wenn ich den auseinander hatte,zusammengebaut aber nicht.

    Nun ist zumindest die Kappe original aber es geht zur Zeit in beiden Varianten nicht.

    Durchgang habe ich gestern bis in den Schalter gemessen, Da ist alles i.O.

    Heute geht es dann weiter

    Biete Motorinstandsetzung an.

    Bei Fragen einfach fragen :)

  • ist das Kabel vom 3 Fachverteiler zur Klemme 56 vorhanden?

    Hey, nein. Laut Moser Schaltplan war das auch nicht vorgesehen oder? Bin ja auch "out of Steckplätze" beim 3er. Oder kann ich da noch ne zusätzliche Klemme anbringen?


    Danke auf jeden Fall, ich spüre, wir nähern uns.

    Loud pipes save lifes.

  • Hey, nein. Laut Moser Schaltplan war das auch nicht vorgesehen oder?

    Och nu, wie war das "Hab alles korrekt verkabelt, hab es drei mal geprüft (Ich schwör) 8o

    Doch, schau mal in den Schaltplan. Das schwarz/weiße Kabel (vom Zusatz Vape Kabelbaum) welches von Regler kommt und an den 3 Fachverteiler geht, hat einen Abzweig und der kommt an die Klemme 59.


    Was hast du jetzt an Klemme 59 angeschlossen? Frage für einen Freund... ;)

  • Was hast du jetzt an Klemme 59 angeschlossen? Frage für einen Freund..

    Gar nicht gesehen, wart, ich schau grad mal... :)

    Bei mir hing es an der 56, sehr komisch. Aber die Brückung vom 3er zu 59 war auf meinem Plan auch gar nicht ersichtlich, guckst Du:

    Na gut, dann setz ich mich noch mal ran. Kurios ist auch, als ich von 59 das Rücklicht abgezogen hatte... Ging es immer noch. Hilfe!

    Na ich seh schon, ich rupp den Rotz nochmal auseinander und fang mit dem anderen Plan neu an... Da wars nämlich auch so, wie Du gesagt hattest. Kurios das alles...


    Loud pipes save lifes.

  • Och nee :rolleyes:, hatte ich nicht gefragt ob du diesen Schaltplan https://media.akf-shop.de/media/pdf/30/65/23/s50b1_vape.pdf verwendest und das die mit ja beantwortet ?

    Jetzt kommst mit einen anderen, :cursing: diesen hier https://media.akf-shop.de/media/pdf/26/9…51-1c1_vape.pdf um die Ecke :hammer:

    Bei diesen geht das Kabel vom 3 Fachverteiler direkt an den Kombischalter, da hast auch keine Park/Standlichtfunktion in Stellung 3

    Wenn den verwendest, wieso hast dann bitte das Standlicht im Scheinwerfer, an Klemme 57a abgeschlossen ?

    Man muss schon alles nach einen Schaltplan verkabeln und ich würde es nach diesen https://media.akf-shop.de/media/pdf/30/65/23/s50b1_vape.pdf verkabeln.

    Was hast du überhaupt für eine S51, Modell, Baujahr ? Hat es vorn auch ein Bremslichtschalter ?

  • Lieb sein, ni haun!


    Hab des Rätsels Lösung gefunden. Es hatte nichts damit zu tun dass der Schaltplan falsch war oder ich was falsch geklemmt habe am Zündschloss.... Es war was anderes, so doof, da muss man erstmal drauf kommen...


    Hab den (DEINEN) Schaltplan noch mal angeschaut wie das Frontlicht verkabelt werden muss, dann ist es mir wie Schuppen aus den Augen gefallen. UND ZWAR - Festhalten bitte, es wird wirklich blöd aber ich schreibs trotzdem... :D


    Habe am H4 drei Kontakte vercrimpt, Fernlicht, Abblend und Masse, soweit so normal. Nur war das angebliche (braune) Massekabel eben NICHT das Massekabel, es war das Kabel der Hupe vom Kombischalter. Schnell umgeklemmt, Hupekabel zur Hupe gelegt (die wollt ich heut sowieso installieren und hab mich gefragt wo das blöde (braune) Kabel sein soll, Masse an den Rahmen und siehe da... Es werde Licht.


    Es tut mir wirklich wahnsinnig leid Euch mit meiner Idiotie so beschäftigt zu haben. Aber ich denk nur so hab ich die harte Lektion lernen dürfen... ;(

    Loud pipes save lifes.

  • Was hast du überhaupt für eine S51, Modell, Baujahr ? Hat es vorn auch ein Bremslichtschalter ?

    Es ist ne S51 B-4 aus 1983. Wie auf dem Bild zu sehen ist sie Feuerrot. Hatte ziemlich Pech damit, keine Papiere, Motorhälften verschiedene Nummern, Telegabel weich wie Pudding... Aber wie schon geschrieben, man lernt, wenn auch auf die harte Tour. Hab jetzt nen komplett neuen Motor (MZA - wunderbar entgratet) und die VAPE verbaut. Jetzt hoffe ich dass ich im Frühjahr die Früchte der (interessanten und lehhreichen) Umbauarbeit ernten kann.

    Loud pipes save lifes.

Jetzt mitmachen!

Sie haben noch kein Benutzerkonto auf unserer Seite? Registrieren Sie sich kostenlos und nehmen Sie an unserer Community teil!