Simson Star Ladeanlage macht permanent Mucken

  • ich Poste hier meinen Post von einer Anderen Platform:

    Simson Star Elektronik bringt mich zum Verzweifeln!

    Tag Freunde, ich komme jetzt einfach nicht mehr weiter bei meinem Star. Ich habe Probleme mit der Ladeanlage und der Batterie. Kurz zum Star: alles original gehalten, also 50er zylinder 6 volt u-Zündung innenliegende zündspule usw. Zu beginn, als ich den Star übernommen habe, hat sich die Batterie recht flott Entladen (ich fahre täglich). Gut, dachte ich mir, schau ich mal nach der Ladeanlage und siehe da, sie war abgesteckt, war auch noch eine Ladeanlage von einer S51B, habe aber noch 2 weitere passende 8871.1 Laderegler. Habe dann die erste eingebaut, aber es hat sich erstma nichts getan, nach einer messung an der batterie: zu wenig strom bis keiner kam an, gut, dann nehm ich die andere Ladeanlage. Hab dann sowohl Batterie als auch Ladeanlage getauscht und bin dann ein stück gefahren, nach vielleicht 2-3 km ging dann wieder weder Hupe noch Blinker, zuhause Batterie Nahgemessen: 0 Volt, die Batterie war Tot! Als ich dann wieder die Sicherungen nachgesehen habe, ist mir am unteren Ende der Ladeanlage eine wachsartige Ablagerung zu finden, anscheinend wurde der Laderegler zu Heiß?
    Hat wer ne Ahnung, was da los ist?


    Zu meinem Star: Rahmen ist aus der Nachserie von 1980, originaler Motor und sonst auch alles Original. U-Zündung und innenliegende Zündspule.

  • Zu meinem Star: Rahmen ist aus der Nachserie von 1980,

    Nachserie, der wird wohl mal einen Ersatzrahmen bekommen haben und der ist von 1980.

    Daher ist das nicht das Ursprüngliche Baujahr und kann ein SR4-2 oder SR4-2/1gewesen sein.

    Zu deinen Problem, selbst wenn der Akku nicht geladen wird, was ja offensichtlich der Fall ist, sollte eine voll geladen, intakten Akku nach 2-3 km fahrt nicht komplett leer sein.

    (ich gehe davon aus das die 2-3km den Blinker nicht ständig an hast oder dauern hupst)

    Daher liegt nahe das den Akku was entlädt, entweder durch ein Verbraucher, Kriechstrom, Kurzschluss oder der Akku ist halt defekt.

    Ist der Akku geprüft worden, ob er in Ordnung ist, wie viel Ah hat der ?

    Sind die Ladeanlagen in Ordnung, sind das neue oder gebrauchte ?

    Wenn da ein falsche Ladeanlage verbaut war liegt nahe das es da schon Problem gab und daher stellt sich die Frage ob die Spule auf der Grundplatte in Ordnung ist und ob die richtige verbaut ist,

    sowie ob die Verkabelung in Ordnung ist, wie auch die Lötverbindung an der Lichtspule.


    PS.

    Wenn du täglich damit fährst, solltest du jetzt mal an diesen Punkt, ernsthaft darüber nachdenken ein Powerdynamo-Vape zu verbauen, eh du mit der Fehlersuche weiter machst und neue Teile kaufst,

    Nicht nur wegen deinen aktuellen Problem, auch zb wegen dem 15W Teelicht welches du im Scheinwerfer hast.

    Eventuell auch gleich ein neuen Kabelbaum, dann solltest du da aussorgt haben.

    Einmal editiert, zuletzt von ckich (12. Dezember 2024 um 09:45)

  • Es gibt unterschiedlich Ursachen:

    Die Spule auf der Grundplatte, Ladeanlage oder aber auch das Zündschloss kann defekt sein.

    Multimeter nehmen und alle Punkte messen, dann kann man sehen bis wo der Strom fliest und einen Defekt ausmachen.

    Schaltplan gibt es überall und ist beim Star ja sehr übersichtlich.

  • Woran kann ich denn abseits vom Typenschild den genauen typen rausfinden?

    Also, nein, ich habe bei der fahrt nichts davon getan, ich bin nur mit Vollgas (annähernd 70) über eine Landstraße gebrettert, ich habe die Vermutung, dass eines der Bauteile der Ladeelektrik einen hau hat und der Laderegler scheint es nicht zu sein, da sich mir auch die Sicherungen gerne verabschiedet haben.

    Eher würde ich sagen, dass zu viel Spannung oder sowas gegeben wurde (bin kein Elektriker, hab keine Ahnung, inwiefern was dann passiert), was erst die sicherungen gebrutzelt hat und als ich dann leicht größere eingebaut habe, musste halt die Batterie dran glauben.

    Verkabelung habe ich komplett durchgecheckt, und alle stecken richtig und haben auch keine Masseschlüsse/ Brüche oder zu hohe Widerstände.

    Apropos Batterie, die war komplett neu, und auch nochmal aufgeladen, deswegen denke ich, dass bei ihr kein Problem vorlag.

    Vape ist leider keine Option, da der Star nicht direkt mir, sondern meinem Vater gehört und er einen tiefgründigen Hass gegen Vape hat und mir die U-Zündung auch besser gefällt.

  • Woran kann ich denn abseits vom Typenschild den genauen typen rausfinden?

    Man kann da nur schauen was jetzt für ein Motor verbaut ist, der M53 mit 3,4PS oder der M53/1 mit 3,6PS.

    was erst die sicherungen gebrutzelt hat und als ich dann leicht größere eingebaut habe, musste halt die Batterie dran glauben.

    Welche Sicherung die 4A oder 1A ?

    Sicherungen fliegen nun mal bei einen Kurzschluss.........

    Zitat

    Apropos Batterie, die war komplett neu, und auch nochmal aufgeladen, deswegen denke ich, dass bei ihr kein Problem vorlag.

    Du denkst das kein Problem mit dem Akku vorliegt, es zählt aber nur das Wissen.

    Es wäre nicht der erste neue Akku der defekt ist.

    Zitat

    er einen tiefgründigen Hass gegen Vape hat und

    Darf man fragen was der Grund für seinen Hass ist?

    Zitat

    und mir die U-Zündung auch besser gefällt.

    Und was gefallt dir daran ?

    Das 15W Teelicht, das die regelmäßige Wartung benötigt, die störungsanfällige innen liegende Zündspule mit samt Zündkabeldurchführung, bescheide Akkuladung oder die bescheide Qualität der Ersatzteile dafür ?

    2 Mal editiert, zuletzt von ckich (12. Dezember 2024 um 15:18)

  • Zitat

    Welche Sicherung die 4A oder 1A ?

    beide Sicherungen hats gehauen, daher meine Vermutung, dass entweder Alle Laderegler schlecht waren oder an der Zündplatte Probleme sind

    Zitat

    Du denkst das kein Problem mit dem Akku vorliegt, es zählt aber nur das Wissen.

    Es wäre nicht der erste neue Akku der defekt ist.

    Das war auch nicht der erste Akku, mit dem ich Probleme hatte

    Was gab es den für ein Vorfall das er die Vape hasst ?

    Vermutlich schlechte Sachen mitbekommen oder mal Probleme mir einer alten/ schlechten Vape

    Zitat

    Und was gefallt dir daran ?

    Von dem, wie ich sie verstehe, kann eine u-Zündung bei einer leicht niedrigeren drehzahl laufen und noch 1-2 andere Sachen

  • Von dem, wie ich sie verstehe, kann eine u-Zündung bei einer leicht niedrigeren drehzahl laufen und noch 1-2 andere Sachen

    Kannst du das mal richtig erklären, ich verstehe nur Bahnhof.

    Zitat

    beide Sicherungen hats gehauen, daher meine Vermutung, dass entweder Alle Laderegler schlecht waren oder an der Zündplatte Probleme sind

    Die 1A Sicherung sichert den Stromkreis von der Spule zur Ladeanlage ab und die 4A den Akku.

    Wenn die 4A Sicherung fliegt müsste die Sperrdiode in der Ladeanlage Strom gegen die Sperrrichtung durchlassen um wegen eines Defekts innerhalb der Ladeanlage durchzubrennen.

    Sonst fliegt die nur wegen eines Kurzschlusses was mit Blinker, Hupe Leerlaufkontrolle zu tun hat und auf Stellung 3 Zündschloss mit Parklicht,

    Würde die Spule zu viel Strom bringen, würde die 1A fliegen und kein Strom kommt an der Ladeanlage an, selbe wenn ein Kurzschluss vorhanden ist.

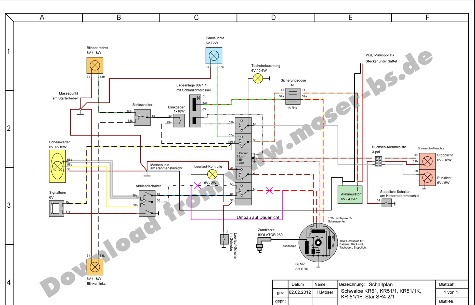
  • Nun bei dem Schaltplan hätte ich Schwierigkeiten etwas richtig zu verkabeln.

    Hier finde ich die Darstellung besser.


    https://media.akf-shop.de/media/pdf/ac/6f/cf/kr51-1.pdf

    Ich habe es nochmal auf dem Schaltplan eingezeichnet:

    Die Änderung ist die Entfernung der Verbindung zwischen Ladeanlage und Pluspol und eine zusätzliche Leitung, die unter den Sattel führt, ich hoffe, dieser Schaltplan ist verständlicher?

  • Junge junge, in der Zeit, die da jetzt für deine Überlegung/Bastelei zubringst, hattest mal messen können was ob Strom von der Spule an der Ladeanlage ankommt, was da für eine Spannung anliegt, sowie die 1A Sicherungen ziehen können um herauszufinden, ob dann der Akku auch nach 2-3 km leer ist.

  • Junge junge, in der Zeit, die da jetzt für deine Überlegung/Bastelei zubringst, hattest mal messen können was ob Strom von der Spule an der Ladeanlage ankommt, was da für eine Spannung anliegt, sowie die 1A Sicherungen ziehen können um herauszufinden, ob dann der Akku auch nach 2-3 km leer ist.

    1. habe ich bereits mehrfach gemessen und im Standbetrieb normale werte erhalten!

    2. Ohne die 1A Sicherung hält der Akku mehrere Tage fahrt, nur, wenn die Ladeanlage Strom gibt, zerschießt es mir immer den Akku

  • 1. habe ich bereits mehrfach gemessen und im Standbetrieb normale werte erhalten!

    Was sind die normalen Werte in Zahlen ?

    Zitat

    zerschießt es mir immer den Akku

    Was sollen wir uns jetzt darunter vorstellen ?

    Zitat

    Ohne die 1A Sicherung hält der Akku mehrere Tage fahrt, nur, wenn die Ladeanlage Strom gibt

    Und mit Sicherung ist der Akku nach 2-3km fahrt leer ?

    Wenn ja, liegt nahe das die Sperrdiode in der Ladeanlage hin ist und Strom vom Akku zur Lichtspule fliest

    2 Mal editiert, zuletzt von ckich (19. Dezember 2024 um 15:06)

Jetzt mitmachen!

Sie haben noch kein Benutzerkonto auf unserer Seite? Registrieren Sie sich kostenlos und nehmen Sie an unserer Community teil!