Simson S51N mit Vape auf Blinker umrüsten

  • Hallo zusammen,

    Mein Sohn hat zur jugendweihe eine S51N mit Vape bekommen. Bis auf die Hupe funktioniert alles super. Ich muss dazu sagen das ich elektronisch eine 0 bin. Um das Moped für die Stadt sicherer zu machen wollen wir blinker nachrüsten.

    Wir haben jetzt einen Kombischalter verbaut. Und ein Akku. Blinker sind auch verkabelt.

    Jetzt ist am blinkgeber 49 das Akku mit 8ah Sicherung drauf. Auf 49a habe ich vom Kombischalter das grau weiße Kabel. Und auf 31 ein Masse Kabel.

    Die blinker blinken im stand normal.


    Nun zu meiner frage:

    Wie lade ich das akku im Betrieb? Ich brauche doch Strom von der laufenden Zündung oder nicht? Ich finde zu diesem Thema keine Antworten... Für die normale s51 gibt es viele Sachen. Aber ich habe kein Zündschloss mit den 3 Stufen daher kann ich das mit meinem Fachwissen nicht auf die N ableiten. Finde auch keinen Schaltplan der diesen Umbau beinhaltet. Habe mir auch einen laderegler gekauft und nun gelesen das die vabe sowas ja schon beinhaltet...

    Boah wir sind ganz leicht am verzweifeln.

    Kann uns jemand da weiterhelfen? 😭

    Danke Sohn und Vater

  • Du musst das rote kabel was aus dem regler kommt einfach paralel mit auf die batterie klemen. Aber mach bitte da auch eine sicherung dazwischen. Es wäre auch ratsam irgendwo ein hauptschalter unterzubringen der die batterie vom rest des boardnetzes trennt. Sonst kanns passieren das dir die batterie leer gezogen wird.

  • Du musst das rote kabel was aus dem regler kommt einfach paralel mit auf die batterie klemen. Aber mach bitte da auch eine sicherung dazwischen. Es wäre auch ratsam irgendwo ein hauptschalter unterzubringen der die batterie vom rest des boardnetzes trennt. Sonst kanns passieren das dir die batterie leer gezogen wird.

    Vape regler meinst du? Das rote Kabel geht ja in einen Stecker und aus dem kommen dann 2 schwarze raus. Soll ich also 1 davon mit an die +pol Leitung klemmen?

    Das andere schwarze ist am Verteiler mit der Hupe verbunden...

  • cypries

    Was ist für eine Vape verbaut, MZA- Vape oder eine Powerdynamo-Vape ?

    Wieso geht die Hupe nicht ? Ist die nicht angeschlossen oder lieg es daran das eine MZA Vape verbaut ist ?

    Der Regler ist das Teil hierhttps://http://www.motorradmeistermilz.de/VAPE-Regler-73…Q0aApcBEALw_wcB

    Blinker nachrüsten und Akku verbauen bedeutet aber auch das ein Zündschloss verbaut werden muss. Sonst steht da alles ständig unter Strom und er Akku wird leer.

    Sprich alles so verbauen und verkabelt wie bei einer S51B mit Vape und da sind wie wieder bei der Frage die ich am Anfang gestellt habe, welche Vape ist verbaut.

  • Na ist die hupe auch mit dem blinkern verbunden? Die zuleitung mein ich

    Hallo icybear,

    An der Hupe ist das blau-schwarz Kabel vom kombischalter und ein Grau-schwarz das in den Verteiler geht. Auf der anderen Seite liegt ein dünnes schwarzes Kabel dran was aus dem Stecker des regler kommt.

    Evt ist die hupe auch einfach nur defekt... Keine Ahnung 😁

    2 Mal editiert, zuletzt von cypries (15. Juni 2025 um 11:34)

  • Hallo ckich,

    Danke für deine Zeit.

    Auf dem Regler und dem Rest steht MZA drauf.

    Zündschloss verbauen... OK sieht heftig aus mit den ganzen Kabeln..


    Habe in einem anderen forum gelesen das man die blinker auch über vape verbauen kann... Mir reicht es ja wenn der junge in der Fahrt blinken kann... Somit bräuchte ich ja garkein Akku oder?


    Danke

    Einmal editiert, zuletzt von cypries (15. Juni 2025 um 11:32)

  • Hallo icybear,

    An der Hupe ist das blau-schwarz Kabel vom kombischalter und ein Grau-schwarz das in den Verteiler geht.

    Das blau/schwarze Kabel ist normal für die Lichthupe.

    Auf dieses wird beim betätigen des Tasters keine Masse auf geschaltet, da stellst eine Verbindung zum Fernlicht her.

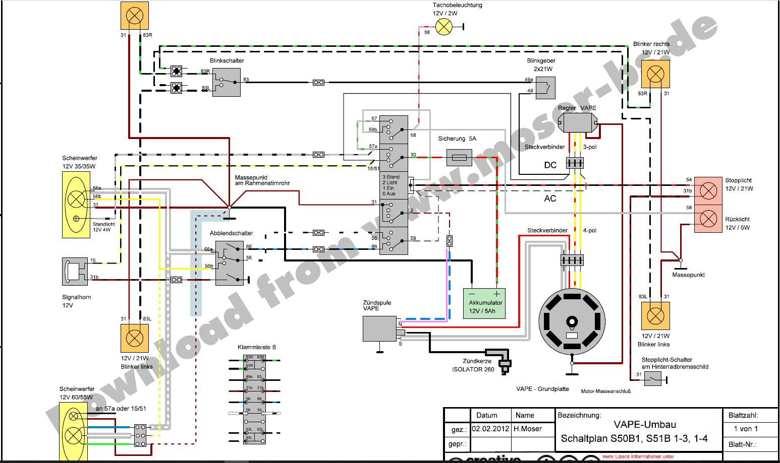
    Siehe Schaltplan https://www.simsonforum.net/garage/attachm…-unbenannt-jpg/


    Dann hast du eine MZA-Vape mit den AC/DC Mix.

    Bei dieser wird normal Scheinwerfer, Rücklicht, Bremslicht und Tacholicht wird über den AC-Stromkreis versorgt, der maximal 70W liefert.

    Blinker, Hupe und Akku sind am DC-Stromkreis für diesen liefert die Vape maximal 25W .

    (Zur Info, Hupe , Blinker und Akku benötigen zwingend DC-Strom.)

    Daraus ergibt sich das der Strom ohne Akku für 2x 21W Blinker und selbst nur für die Hupe nicht reicht. Von daher, keine was da in ein anderen Forum gelesen hast.

    Wenn da Blinker dran sollen und die Hupe funktionieren soll, ist ein Akku nötig, damit ein Zündschloss, daraus ergibt sich auch das das Moped auch verkabel werden muss wie eine S51B.https://www.simsonforum.net/garage/attachm…-unbenannt-jpg/

    Hab mal ein Foto ohne kombischalter und ohne Akku... Praktisch so wie sie ursprünglich war hochgeladen


    VG

    So wie ich das auf diesen Schaltplan deute, fehlt da das gelb/rote Kabel was vom Stator zum Regler geht oder soll das das rote Kabel sein ?

    Weil ein rotes geht nicht vom Stator zum Regler, ein gelbes und ein gelb/rotes geht nur vom Stator zum Regler.

    Ein rotes geht vom Stator zur Zündspule.

    Wo ist da die Hupe ? Das Runde mit BR und GR-WS Kabel dran beim Auf/Abblendschalter ?


    Was ist den eigentlich mit dem Moser Schaltplänen los ?

    2 Mal editiert, zuletzt von ckich (15. Juni 2025 um 15:02)

  • OK erstmal Dankeschön an alle die mir geholfen haben 😘.


    Wir werden dann jetzt ein Zündschloss und einen passenden herzkasten kaufen. Alle Kabel neu machen und dann melde ich mich hier nochmal.


    Das blau schwarze Kabel habe ich dann vertauscht. OK.

    So wie es auf meinem selbstgemachten schaltplan ist, ist es auch vor Ort. Hab es nochmal geprüfte.


    VG

  • Hm. Seltsam

    So weit komme ich auch, kann auch noch weiter den Button "Simson" anklicken, weiter " Simson Schaltpläne..." und dann das Modell.

    Egal welchen Schaltplan ich dann anklicke, kommt "Seite wurde nicht gefunden Die Verbindung mit dem Server media.akf-shop.de schlug fehl. ......."

  • Finde auch keinen Schaltplan der diesen Umbau beinhaltet.

    da gibt es auch keine schaltplan für, weil das elektrisch gesehen kein "umbau" IST. du musst halt einfach einen s51b vapeschaltplan nehmen. da ist alles drin, was du brauchst.

    Wie soll sich denn ein Schaltplan für ein serienmäßig schon mit blinkern ausgestattetes moped von einem schaltplan für ein mit blinkern nachgerüstetes moped unterscheiden?

    Einmal editiert, zuletzt von Sub Zero (15. Juni 2025 um 18:04)

  • So weit komme ich auch, kann auch noch weiter den Button "Simson" anklicken, weiter " Simson Schaltpläne..." und dann das Modell.

    Egal welchen Schaltplan ich dann anklicke, kommt "Seite wurde nicht gefunden Die Verbindung mit dem Server media.akf-shop.de schlug fehl. ......."

    Hast recht. Hm. Ich hatte glücklicherweise mal alle ausgedruckt und einlaminiert. Und den ein oder anderen noch aufm Handy als PDF. Trotzdem schade, dass das verloren ist. Die Pläne waren Sahne

    Mein Moped lebt! Es qualmt, es säuft und manchmal bumst es auch. ^^

Jetzt mitmachen!

Sie haben noch kein Benutzerkonto auf unserer Seite? Registrieren Sie sich kostenlos und nehmen Sie an unserer Community teil!